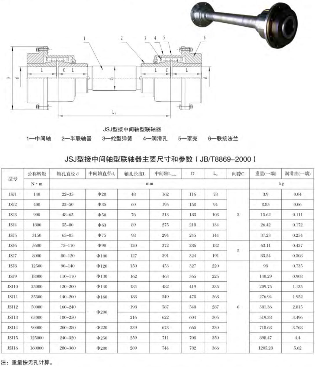
JSJ接中间轴型

产品名称:接中间轴型蛇形弹簧联轴器
产品编号:JSJ(JS500)
产品型号:JSJ(JS500)JB/T8869-2000
1. 具有基本型所有优点。
2. 适用于两轴间距长的场合。
3. 轴孔可根据客户要求制造。
技术参数:最大扭矩:160000N.m 最大轴孔:360mm

上一篇:JSG高速蛇簧联轴器
下一篇:JSP/JSDP带制动盘型

产品名称:接中间轴型蛇形弹簧联轴器
产品编号:JSJ(JS500)
产品型号:JSJ(JS500)JB/T8869-2000
1. 具有基本型所有优点。
2. 适用于两轴间距长的场合。
3. 轴孔可根据客户要求制造。
技术参数:最大扭矩:160000N.m 最大轴孔:360mm

上一篇:JSG高速蛇簧联轴器
下一篇:JSP/JSDP带制动盘型